Por Valeriano Alfonso Rodriguez el 23 de Enero de 2003.
Para la consecución de un sistema de neumática proporcional necesitamos válvulas proporcionales y algún método para controlarla, como puede ser un sistema de regulación PID (Proporcional-integrador-derivador) Este tipo de sistemas son utilizados cuando la regulación todo-nada no consiguen la regulación deseada.
La neumática proporcional consiste que a diferentes señales se consiguen diferentes caudales, presiones,… etc. Para conseguir esto se utilizan válvulas proporcionales, las cuales (en nuestro caso por ejemplo) con diferentes señales de tensión regula en uno u otro sentido, con diferentes caudales en función a la señal.
Los sistemas PID se basan en aplicar ciertas funciones matemáticas a una señal analógica, para obtener otra la cual equilibra el sistema, mediante un actuador.
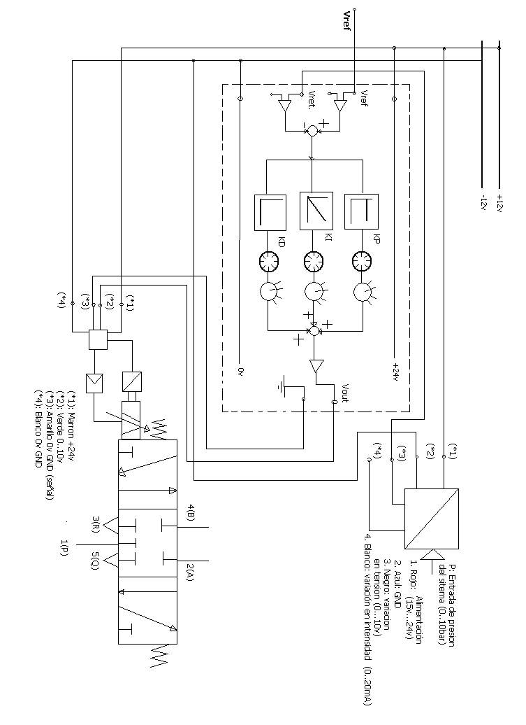
Para ello hemos utilizado una tarjeta reguladora PID a la que aplicamos una señal de entrada. La señal de entrada consiste en la resta de la señal de referencia y la retroalimentación del sistema, la cual da información del estado del sistema externo o neumático.

En Vref (tensión de referencia)introducimos la señal a la que queremos tener el sistema.
En Vret. (Vretroalimentación tensión de retroalimentación) la cual retroalimenta al sistema con información de sí mismo.
Para retroalimentar este sistema utilizamos un sensor de presión analógico. Este sensor analógico de presión es un sensor de presión con un amplificador. El cambio de presión producido en la entrada se emite como tensión o como corriente a través de un amplificador hacia la entrada de resta del sistema. Con lo cual hemos conseguido que el sistema regule según la presión, por lo que la tensión de referencia indica a que presión queremos el sistema.

La curva característica de este convertidor(presión-tensión/intensidad). Consiste en una función lineal y proporcional a la presión de entrada:

El actuador de este sistema es una válvula 5/3 regulada proporcionalmente, por lo que el cambio de cada una de las fases será progresivo para diferentes señales de entrada. En nuestro caso la válvula FESTO modelo MPYE-5-xxxB regula entre 0v y 10v siendo la posición central a 5v, todas las vías cerradas.
Este será el encargado de regular la presión del sistema bajo las señales que del sistema PID.

Para realizar el montaje completo de todo el sistema, hay que conectar la válvula 5/3 al cilindro. El sensor analógico de presión debe conectarse a la salida 2(A) con lo cual retroalimentamos al sistema PID con la salida principal.
Para regular la presión del sistema neumático ponemos reguladoras de caudal y acumuladores de presión, en las dos salidas de la válvula, Con el fin de conseguir una salida mas homogénea.
La válvula de regulación automática se conecta como cualquier otro cilindro.
El cilindro se conecta a la válvula con los terminales 2(A) y 4(B) de salida de presion del cilindro.


Para regular el sistema PID seguimos el método de Ziegler-Nichols en lazo cerrado con el cual, y siguiendo lo explicado:
|
Tipo de regulador |
Kp |
Tn |
Tv |
Ki |
Kd |
|
P |
0,5·Kpcrit |
----------------- |
------------------- |
-------------- |
------ |
|
PD |
0,8·KPCrit |
------------------ |
0.12·Tcrit |
-------- |
KP·Tv |
|
PI |
0.45·KPCrit |
0.85·Tcrit |
---------------- |
KP/Tn |
-------- |
|
PID |
0.6·Kpcrit |
0.5·Tcrit |
0.12·Tcrit |
KP/Tn |
Kp·Tv |
Siguiendo el anterior esquema se podría obtener la regulación de cualquier combinación Proporcional, Integral y/o Derivada. Por lo que si el sistema PID no es lo suficientemente estable se puede utilizar un control PI o PD.
En el caso de utilizar el método de ganancia limite es lo mismo que el método de Ziegler-Nichols en lazo cerrado.
Con los dos sistemas de regulación se consigue regular el sistema al limite de la estabilidad, por lo que la regulación puede no ser buena, pudiendo oscilar. Para arreglarlo conviene bajar KP, Ki y/o Kd.
En nuestro caso:
La KPCritica del sistema variaba en función a la tensión de referencia (Vref). Por lo que decidimos regular el sistema con una Vref pequeña; 1v.
Obtuvimos KPCritica=80 y TCritica=TOscilación=50ms . Con lo que aplicando las formulas anteriores obtuvimos estos parámetros para una regulación PID:
KP=48 KI=1’92 KD=288
Pero con estos parámetros el sistema oscilaba, por lo que aplicamos una regulación PI, aplicando estos parámetros:
KP=36
KI=0’847
Consiguiendo con esto un sistema estable.
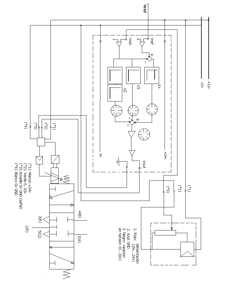
Para la consecución de este sistema hemos utilizado en lugar de la tarjeta PID la tarjeta reguladora de estado a la que, análogamente al sistema PID, hemos aplicado una señal de entrada. Mediante la resta de la variable de entrada y la retroalimentación hemos obtenido la señal que hay que aplicar al regulador. El regulador de estado es una tarjeta que se utiliza en los circuitos de regulación en lazo cerrado de ejes lineales neumáticos.
El regulador de estado procesa los estados de 3 variables:
1. La desviación de la posición o desviación del sistema
2. La velocidad
3. La aceleración de la corredera
Es extremadamente difícil medir los tres estados de las variables con sensores, por los que se mide solamente la posición y la velocidad y la aceleración se obtienen a partir de ella.
La variable de posición se obtiene a partir de la resta de la señal de referencia y la retroalimentación que se multiplica por el coeficiente de posición kx
Yx = kx. e
Se deduce que el regulador de posición funciona de la misma forma que un regulador proporcional de un PID. Las otra dos variables se obtienen multiplicando la variable de posición por un coeficiente.
A diferencia de la tarjeta reguladora PID, el regulador de estado tiene un potenciómetro rotativo y un conmutador rotativo que permiten el ajuste.
Hemos seguido el mismo procedimiento que el utilizado en el sistema PID, esto es: